Our Products
Comprehensive industrial automation solutions for global industries
Contact us
If you are interested in our products and want to know more details,please Contact us,we will reply you as soon as we can.
Hima K 9203A K9203A Rack Fan
Product Description
The K 9203A rack fan is a circulation fan equipped with the following components:
. 3 axial fans
. Redundant supply
. Fan operation monitoring
. Voltage monitoring

Application
Forced ventilation of 19” rack installations. Air is sucked in below the
circulation fan and is blown out from the top. The axial fans are positioned to align with HIMA 19” subracks.
Installation site:
Anywhere within the 19” field
Specifications
| Material | Aluminum, anodized |
| Operating data | 24 VDC, -15…+20 %, rpp ≤ 15 % max. 750 mA |
| Air flow | 300 m3 per hour |
| Rated speed | 2800 min-1 |
| Sound pressure level | approx. 55 dB(A) |
| Lifetime at 40 °C | 62 500 h |
| Space requirement | 19”, 1 RU, depth 215 mm |
| Weight | 1.8 kg |
| Ambient temperature | -20…+70 ºC |
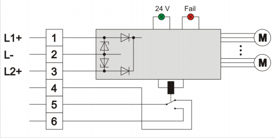
Block diagram:

Operation and error indicators
| Operating state | Connector plug, pins 4 and 5 | Connector plug, pins 5 and 6 |
LED
Fail |
LED
24 V |
| No fault | Open | Closed | OFF | ON |
|
Operating voltage < 20.4 V or
> 28.8 V |
Open | Closed | OFF | BLINKING |
|
Operating voltage is missing or
fuse is defective |
Closed | Open | OFF | OFF |
| Fan malfunction * | Closed | Open | ON | ON |
* Fan speed < 75…85 % of the rated speed
Connector plug
The connector plug is used to connect the cabinet fan to the power supply. To increase availability, terminal 3 may be connected to a redundant power supply. Optical and acoustic detectors can be connected to terminals 4…6.

The following wires can be connected:
| Wire | Cross-section | Connection |
| Single-wire | 0.08…2.5 mm² | Spring-cage terminal * |
| Finely stranded | 0.25…1.5 mm² | Spring-cage terminal * |
| Finely stranded with wire end ferrule | 0.25…2.5 mm² | Spring-cage terminal * |
* Actuation tool (screwdriver slotted 3.5 x 0.5 mm)
Hima K 9203A K9203A Rack Fan
Product Description
The K 9203A rack fan is a circulation fan equipped with the following components:
. 3 axial fans
. Redundant supply
. Fan operation monitoring
. Voltage monitoring

Application
Forced ventilation of 19” rack installations. Air is sucked in below the
circulation fan and is blown out from the top. The axial fans are positioned to align with HIMA 19” subracks.
Installation site:
Anywhere within the 19” field
Specifications
| Material | Aluminum, anodized |
| Operating data | 24 VDC, -15…+20 %, rpp ≤ 15 % max. 750 mA |
| Air flow | 300 m3 per hour |
| Rated speed | 2800 min-1 |
| Sound pressure level | approx. 55 dB(A) |
| Lifetime at 40 °C | 62 500 h |
| Space requirement | 19”, 1 RU, depth 215 mm |
| Weight | 1.8 kg |
| Ambient temperature | -20…+70 ºC |
Block diagram:

Operation and error indicators
| Operating state | Connector plug, pins 4 and 5 | Connector plug, pins 5 and 6 |
LED
Fail |
LED
24 V |
| No fault | Open | Closed | OFF | ON |
|
Operating voltage < 20.4 V or
> 28.8 V |
Open | Closed | OFF | BLINKING |
|
Operating voltage is missing or
fuse is defective |
Closed | Open | OFF | OFF |
| Fan malfunction * | Closed | Open | ON | ON |
* Fan speed < 75…85 % of the rated speed
Connector plug
The connector plug is used to connect the cabinet fan to the power supply. To increase availability, terminal 3 may be connected to a redundant power supply. Optical and acoustic detectors can be connected to terminals 4…6.

The following wires can be connected:
| Wire | Cross-section | Connection |
| Single-wire | 0.08…2.5 mm² | Spring-cage terminal * |
| Finely stranded | 0.25…1.5 mm² | Spring-cage terminal * |
| Finely stranded with wire end ferrule | 0.25…2.5 mm² | Spring-cage terminal * |
* Actuation tool (screwdriver slotted 3.5 x 0.5 mm)
Need a Custom Automation Solution?
Our team of experts can design and implement a tailored automation system to meet your specific requirements.

Loading comments...






