Our Products
Comprehensive industrial automation solutions for global industries
Contact us
If you are interested in our products and want to know more details,please Contact us,we will reply you as soon as we can.
Vibro-Meter CA134 144-134-000-612 Piezoelectric Accelerometer
Item Number:CA134 144-134-000-612
Brand: Vibro-Meter
Lead Time: In stock
Description:Piezoelectric Accelerometer
Payment: T/T
Product Description
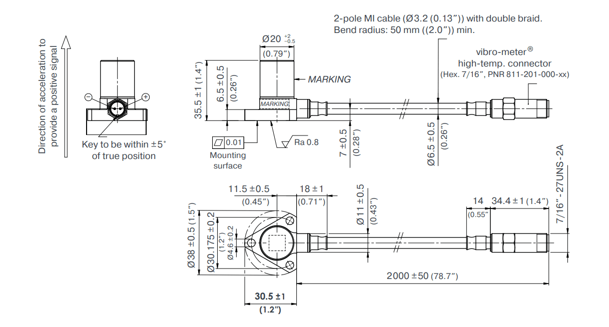
The CA134 144-134-000-612 is a piezoelectric accelerometer. It utilizes a compression-mode measuring element, a high-temperature nickel alloy housing, and built-in housing insulation. By utilizing VC2 single-crystal material, it can acquire data in cryogenic environments as low as -253°C (20K) and high-temperature environments as high as 500°C.
The CA134 is available in both "sensor only" and "with integrated cable" versions, with either a flexible or rigid cable connection depending on the temperature conditions.
Function & Features
Structure and materials
- The CA134 144-134-000-612 features a symmetrical sensor structure, a compression mode measuring element, built-in housing insulation, and differential output capability.
- The CA134 144-134-000-612 sensor and cable are hermetically welded to create a leak-proof assembly, with a variety of cable assembly options available depending on the environmental/temperature requirements of the application.
Cable configuration
- Single version: CA134 144-134-000-612 Different cable assemblies can be selected according to the application.
- Universal cable version: CA134 is equipped with mineral insulated (MI) cable, double braid protection, and high temperature connector.
Specifications
|
Parameter |
Detail |
|
Model Number |
CA134 144-134-000-612 |
|
Output Type |
Charge (2-wire) |
|
Sensitivity |
10 pC/g | 1.02 pC/m/s² |
|
Operating Temperature |
-65 to 932°F (-54 to 500°C) |
|
Frequency Response |
Up to 6000 Hz |
|
Sensitivity Tolerance |
±5% |
|
Dynamic Range |
0.001 to 500 g (0.00981 to 4905 m/s²) |
|
Linearity |
±1% |
|
Transverse Sensitivity |
<5% |
|
Resonant Frequency |
>14 kHz |
|
Base Strain Sensitivity |
≤5×10⁻³ g/με |

FAQ
Q: What is the brand?
A:Spares
Q: What is the type?
A:Piezoelectric Accelerometer
Q: What is the warranty?
A: 1 year
Q: Where is the shipping location?
A: Xiamen
Q: What is the payment method?
A: T/T
Vibro-Meter CA134 144-134-000-612 Piezoelectric Accelerometer
Item Number:CA134 144-134-000-612
Brand: Vibro-Meter
Lead Time: In stock
Description:Piezoelectric Accelerometer
Payment: T/T
Product Description
The CA134 144-134-000-612 is a piezoelectric accelerometer. It utilizes a compression-mode measuring element, a high-temperature nickel alloy housing, and built-in housing insulation. By utilizing VC2 single-crystal material, it can acquire data in cryogenic environments as low as -253°C (20K) and high-temperature environments as high as 500°C.
The CA134 is available in both "sensor only" and "with integrated cable" versions, with either a flexible or rigid cable connection depending on the temperature conditions.
Function & Features
Structure and materials
- The CA134 144-134-000-612 features a symmetrical sensor structure, a compression mode measuring element, built-in housing insulation, and differential output capability.
- The CA134 144-134-000-612 sensor and cable are hermetically welded to create a leak-proof assembly, with a variety of cable assembly options available depending on the environmental/temperature requirements of the application.
Cable configuration
- Single version: CA134 144-134-000-612 Different cable assemblies can be selected according to the application.
- Universal cable version: CA134 is equipped with mineral insulated (MI) cable, double braid protection, and high temperature connector.
Specifications
|
Parameter |
Detail |
|
Model Number |
CA134 144-134-000-612 |
|
Output Type |
Charge (2-wire) |
|
Sensitivity |
10 pC/g | 1.02 pC/m/s² |
|
Operating Temperature |
-65 to 932°F (-54 to 500°C) |
|
Frequency Response |
Up to 6000 Hz |
|
Sensitivity Tolerance |
±5% |
|
Dynamic Range |
0.001 to 500 g (0.00981 to 4905 m/s²) |
|
Linearity |
±1% |
|
Transverse Sensitivity |
<5% |
|
Resonant Frequency |
>14 kHz |
|
Base Strain Sensitivity |
≤5×10⁻³ g/με |

FAQ
Q: What is the brand?
A:Spares
Q: What is the type?
A:Piezoelectric Accelerometer
Q: What is the warranty?
A: 1 year
Q: Where is the shipping location?
A: Xiamen
Q: What is the payment method?
A: T/T
Need a Custom Automation Solution?
Our team of experts can design and implement a tailored automation system to meet your specific requirements.

Loading comments...